TPS92630-Q1:高性能汽车照明驱动芯片的技术突破与应用前景

集成电路大数据平台 2025-08-20 17:39
资讯配图
本期是平台君和您分享的第310期内容
资讯配图
TPS92630-Q1是德州仪器(TI)推出的符合车规级认证的三通道线性LED驱动芯片,具有5V至40V的宽电压输入范围。该器件每个通道可独立提供150mA驱动电流(精度达±1.5%),通过并联配置可实现450mA的总输出能力。
TPS92630-Q1集成了模拟和PWM双模式调光功能,并配备单颗LED短路检测以及开路/过热保护机制,完全满足AEC-Q100汽车电子可靠性标准,特别适用于汽车日间行车灯、尾灯等对可靠性要求严苛的照明应用场景。
更关键的是,在ADAS场景中,它驱动的矩阵式LED可与雷达/摄像头联动,实现投影式车道标记、行人警示光毯等交互功能,其内置诊断特性还能实时反馈LED状态,为自动驾驶系统提供关键冗余信息,真正让车灯从被动元件升级为智能交互界面。

今天平台君将介绍一款TI德州仪器车规级(O)LED驱动器——TPS92630-Q1👈

TPS92630-Q1是TI推出的车规级三通道线性LED驱动器,支持5V-40V宽压输入,每通道独立输出150mA(精度±1.5%),可并联实现450mA驱动。集成模拟/PWM双模调光,具备单LED短路检测及开路/过热保护,符合AEC-Q100标准,专用于汽车日行灯、尾灯等高可靠性照明场景

凭借其优异的性能参数,特别适合矩阵式车灯设计,内置的故障保护机制(OCP/TSD)和-40℃至150℃工作范围,使其成为ADAS照明系统的可靠选择。建议搭配TPS929240-Q1用于多芯片级联场景

TPS92630-Q1主要应用于‌搭载动态贯穿尾灯的新能源车‌(如小米SU7同技术方案等)、‌支持ADAS投影功能的高端车型‌,以及‌豪华品牌内饰照明系统‌,其技术优势在智能化与高可靠性需求场景中尤为突出。
资讯配图
TPS92630-Q1管芯概貌图(图源:IPBrain平台

资讯配图
资讯配图
TPS92630-Q1管芯文字图(图源:IPBrain平台

TPS92630-Q1的管芯尺寸为1.98mm x 1.51mm(不含划片槽),金属层数为3层,特征尺寸为180nm,管芯文字为2013 C92630A1。

资讯配图

资讯配图
资讯配图

Chip Characteristics

01. 芯片特点

资讯配图
TPS92630-Q1是一款汽车级多通道LED驱动芯片,具有以下核心特点:‌高集成度‌:支持3通道恒流输出,每通道独立PWM调光,集成电流检测与温度保护功能,减少外围元件需求。
‌车规级可靠性‌:符合AEC-Q100认证,工作温度范围-40℃至+150℃,适应严苛车载环境。
‌智能诊断‌:内置开路/短路检测、LED故障报警及热关断保护,提升系统安全性。
‌高效节能‌:采用低导通电阻MOSFET,转换效率可达95%,优化整车能耗。
该芯片广泛用于汽车日间行驶灯、驻车灯、雾灯、后灯以及车内照明等,兼顾性能与成本优势。
资讯配图
TPS92630-Q1功能框图(图源:芯片规格书)

资讯配图
TPS92630-Q1 Floorplan(图源:IPBrain平台)

资讯配图

TPS92630-Q1 Poly层AMP概貌图(图源:IPBrain平台)


资讯配图
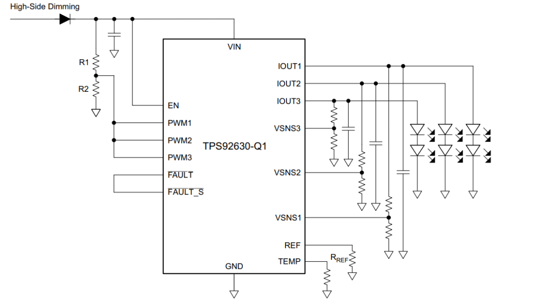
TPS92630-Q1 典型应用电路图(图源:芯片规格书)

资讯配图
资讯配图

Chip Detail Diagrams

02. 系统级应用电路

资讯配图
资讯配图
System Block Diagram_1(图源:芯片规格书)

资讯配图
System Block Diagram_2(图源:芯片规格书)

资讯配图
资讯配图

Application Scenarios

03. 应用场景

资讯配图
TPS92630-Q1就像汽车的“灯光守护者”,它虽不能像TPS929240-Q1精准控制24组LED灯带,带来炫酷的‌动态尾灯‌、浪漫的‌车内氛围灯‌和智能的‌ADAS警示灯,但刹车灯、日间行驶灯依旧少不了它的身影

往期推荐 >

Previous articles

资讯配图

苹果、OPPO、小米的选择:聚焦TI AMOLED显示屏电源管理双子星芯片


资讯配图

免费报告 | 别人家的孩子,一颗DC-DC电源管理芯片卖18块,羡煞旁人(附价值数万元的52页分析报告免费下载)


资讯配图

小米SU7上用的CAN收发器芯片是它;价格直逼iPhone16;随时可能涨价到2万块;


资讯配图

OPA659芯片提升产品溢价竞争力,备受激光雷达厂商青睐!



声明:内容取材于网络,仅代表作者观点,如有内容违规问题,请联系处理。 
照明 驱动 芯片
more
Gemini 3研发逻辑首度披露:系统工程、数据范式与多模态协同驱动AI新跃迁
零跑汽车欧洲创新中心慕尼黑启用,加速全球化设计与本地化生产双轮驱动
支付宝推国内首个支付集成Skill,AI驱动开发门槛大幅降低
前高盛投资人携AI驱动HR科技公司Comp进军巴西市场,完成1725万美元A轮融资
【半导体设备】AI&存储双驱动:全球ATE设备竞争格局与创新对垒
腾讯云推行业首款官网内置Agent助手KiKi,实现自然语言驱动的全自动云部署
开源底座驱动全球AI工具链:Cursor Composer 2事件折射中国模型出海新范式
特斯拉Q1财报透视:AI与制造双轮驱动,资本开支剑指250亿美元
AMD锐龙Z1 Extreme驱动支持疑似终止,多款掌机恐陷更新停滞
台系六大芯片设计厂集体酝酿涨价,4月1日起驱动IC等产品涨幅最高达20%
Copyright © 2025 成都区角科技有限公司
蜀ICP备2025143415号-1
  
川公网安备51015602001305号