




classifications of STM32
01. STM32系列MCU有哪些分类?




STM32 ultra-low power MCU
02. STM32 超低功耗 MCU

•内核选型:
•工艺升级:
•核心应用价值:



Chip Characteristics
03. 芯片特点




What Is The Arm TrustZone?
04. 什么是Arm TrustZone技术?


安全世界和普通世界的概念:
安全世界:是TrustZone技术中的一个关键概念,用于存放处理器中最敏感的数据和代码。在安全世界中运行的软件能够受到更高级别的安全保护,对系统的核心功能和数据进行保护。 普通世界:是处理器中用于运行一般应用程序和操作系统的环境。与安全世界相比,普通世界所处的安全级别较低,容易受到恶意攻击或破坏。

TrustZone技术主要通过以下几个方面来实现安全隔离:
安全状态切换:处理器在运行时可以根据需要在安全世界和普通世界之间进行状态切换。 安全监控:用于检测和防范可能的安全威胁。安全监控能够实时监测系统的运行情况,发现异常并采取相应的安全措施。 安全通信:在安全世界和普通世界之间,TrustZone提供安全通信通道,确保二者之间的信息传输和交互过程是安全可靠的。通过加密和认证技术,安全通信能够有效保护数据的完整性和机密性。


Chip Basic Information
05. 芯片基本信息





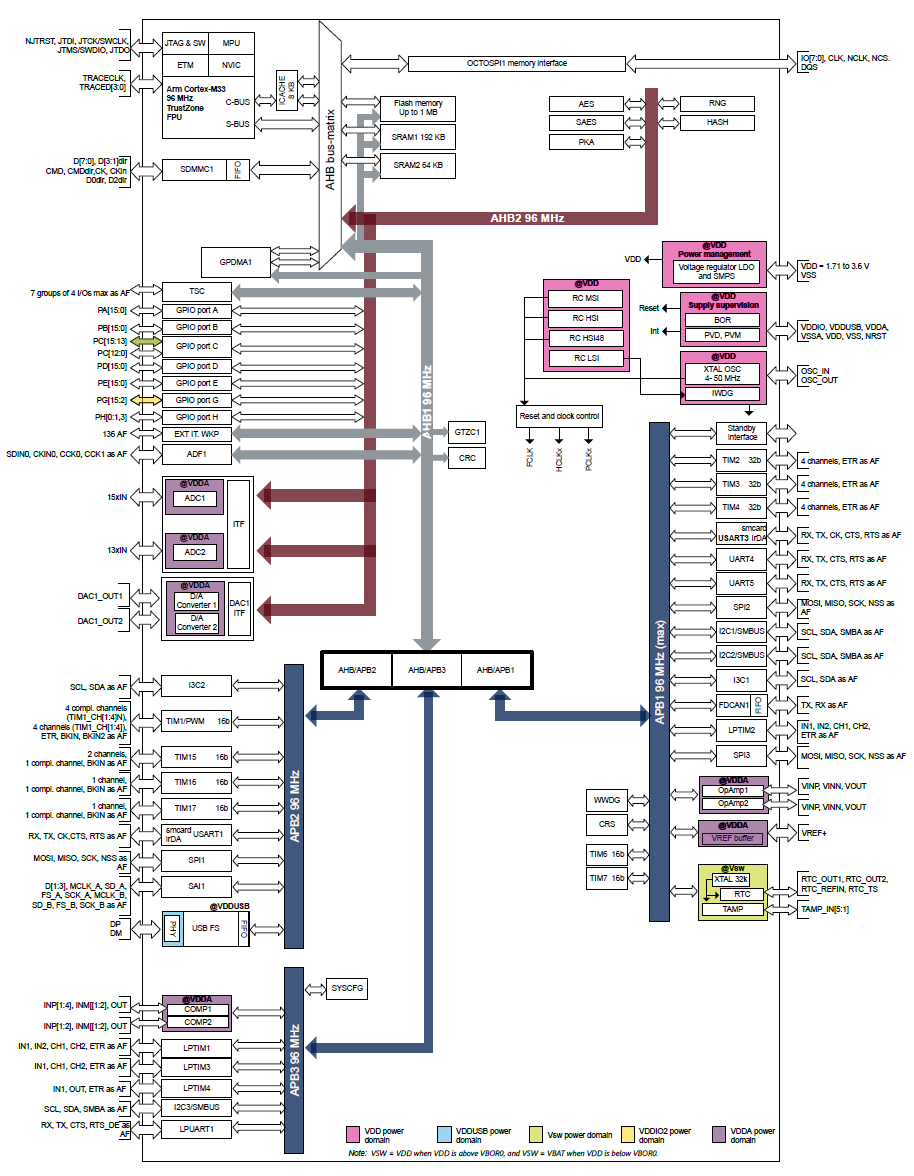
Important Module Diagram
06. 重点模块图




Chip Detail Diagram
07. 器件细节图





Application Scenario
08. 应用场景

往期推荐 >