![]()
EDA365电子论坛
1.AC24V接口EMC设计标准电路

![]()
EDA365电子论坛
2.AC110V-220VEMC设计标准电路

![]()
EDA365电子论坛
3.AC380V接口EMC设计标准电路

![]()
EDA365电子论坛
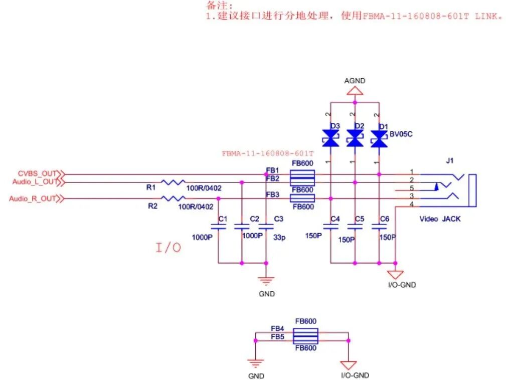
4.AV接口EMC设计标准电路

![]()
EDA365电子论坛
5.CAN接口EMC设计标准电路

![]()
EDA365电子论坛
6.DC12V接口EMC设计标准电路

![]()
EDA365电子论坛
7.DC24V接口EMC设计标准电路

![]()
EDA365电子论坛
8.DC48接口EMC设计标准电路

![]()
EDA365电子论坛
9.DC110V接口EMC设计标准电路

![]()
EDA365电子论坛
10.DVIEMC设计标准电路

![]()
EDA365电子论坛
11.HDMI接口EMC设计标准电路

![]()
EDA365电子论坛
12.LVDS接口EMC设计标准电路

![]()
EDA365电子论坛
13.PS2接口EMC设计标准电路

![]()
EDA365电子论坛
14.RJ11EMC设计标准电路

![]()
EDA365电子论坛
15.RS232 EMC设计标准电路

![]()
EDA365电子论坛
16.RS485EMC设计标准电路

![]()
EDA365电子论坛
17.SCART接口EMC设计标准电路

![]()
EDA365电子论坛
18.s-video接口EMC设计标准电路

![]()
EDA365电子论坛
19.USBDEVICE EMC设计标准电路

![]()
EDA365电子论坛
20.USB2.0接口EMC设计标准电路

![]()
EDA365电子论坛
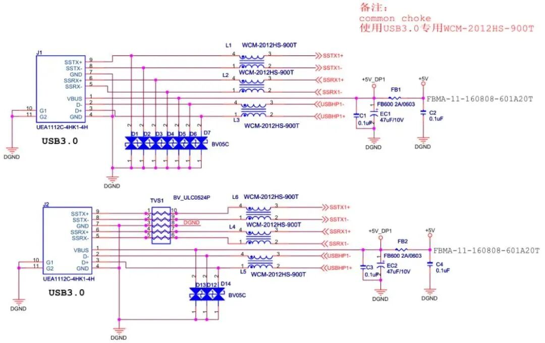
21.USB3.0接口EMC设计标准电路

![]()
EDA365电子论坛
22.VGA接口EMC设计标准电路

![]()
EDA365电子论坛
23.差分时钟EMC设计标准电路

![]()
EDA365电子论坛
24.耳机接口EMC设计标准电路

![]()
EDA365电子论坛
25.复合视频接口EMC设计标准电路

![]()
EDA365电子论坛
26.汽车零部件电源口EMC标准设计电路

![]()
EDA365电子论坛
27.室内外天馈浪涌设计标准电路

![]()
EDA365电子论坛
28.无源晶振EMC设计标准电路

![]()
EDA365电子论坛
29.有源晶振EMC设计标准电路

![]()
EDA365电子论坛
30.以太网EMC(EMI)设计标准电路

![]()
EDA365电子论坛
31.太网EMC(浪涌)设计标准电路(差模要求较高方案)

![]()
EDA365电子论坛
32.以太网EMC(浪涌)中心抽头方案(节约空间)


