大家好,我是板哥,最近社区上线了【硬核玩电·创意DIY】活动,欢迎各位电子界朋友们,以电子为笔,以创意为墨来社区交个朋友。
本次活动参加即有奖励。更有开发板大礼包(多款)+京东自营购物金等您来拿!详见文末
前言
23年底,脑子灵机一动,想做一个无线遥控小车,能够显示无线图传和无线遥控。后面做出来了,但是非常丑,不合我审美。
之前做的无线遥控小车工程目录:
1. 【电子DIY】+无限制距离视频语音对讲小车,成本150元能搞定!
上面项目做的非常马虎,做完直接吃灰。但现在学成归来。
项目背景
基于C++,使用ESP32S3在VSCODE+PIO环境下开发,应用我个人的软硬件知识,提高项目审美和辨识度,实现个人DIY项目,提高开发能力;
用之前学习的WIFI技术栈,使用ESP32S3实现WIFI图传、无线控制;
项目外形参考:
目前进度是设计完成硬件,正在寄回的过程中,先记录电路设计的情况。
项目需求分析
总项目分析

硬件电路总结分析

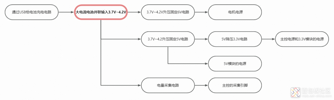
硬件电路电源部分设计框图

器件选型分析
因为思维导图有点大,看不清,具体选型我写在 在线文档语雀文档中。文档链接:
电源部分设计
自恢复保险丝:当电流超过额定电流时会发烫,发烫到一定温度会自动断开连接,直到电流变小温度下降后,会恢复连接。目前选型是超过2A电流就触发
TVS管:常见的设计,自行百度了解,是预防雷击电、静电等瞬间的高压导致后级电路损坏的一种器件
最后通过一个双刀双掷开关SW6作为总电源开关,控制+5V输出和电池3V7输出。
具体电路图:
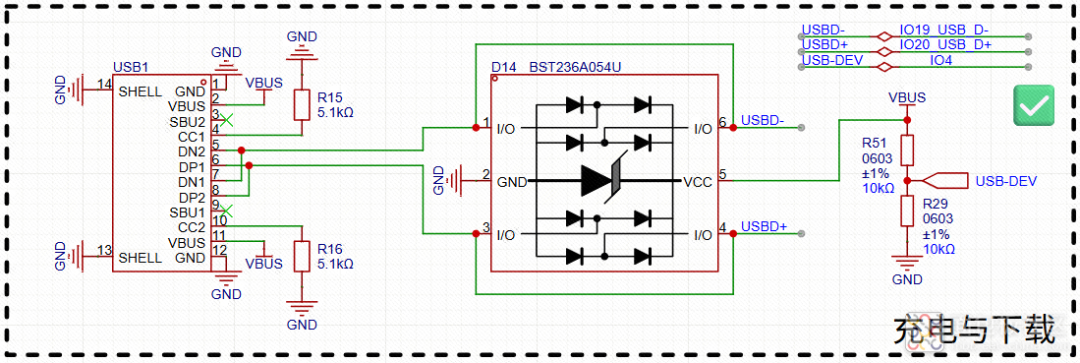
USB的TYPE-C充电电源输入和程序下载部分,使用一个集成了ESD、TVS的器件 BST236A054U,TVS功能之前介绍过了,ESD的话就是专门做静电保护的。然后通过R51和R29对TYPE-C输出的电压VBUS进行分压,然后分压的电压输入到主控IO上,让IO检测这个引脚的电压,有电压的话说明TYPE-C有接入,没有电压的话说明TYPE-C没有接入,这样就实现了充电检测。USBD-USBD+接到主控的USBD-D+上,实现下载。R15和R16是TYPE-C协议要求,必须加5.1K
具体电路图:

具体电路图:




摄像头部分设计
摄像头使用的是OV5640或者OV2640,它们的接口是兼容的,其中摄像头需要使用到2.8V和1.2V和3.3V电压,找对应功能的集成块芯片实现就好。

人机交互部分


电机控制部分

PCB和3D仿真:



硬核玩电/DIY!赢开发板大礼包!
亲爱的电子工程师、硬件极客、电子爱好者、社区的家人们:
这个夏天,以电子为笔,以创意为墨——来面包板社区造点会"跳动"的电子DIY吧!我们给大家准备了开发板大礼包+京东自营购物礼金!等您来拿哦!
基础福利:所有参与者可领取2000 E币(可在面包板社区兑换商城使用)。
活动奖项:
硬核奖(1名):开发板大礼包(知名品牌开发板2块【如芯驿、STM32等】+其他开发板1块,市场价不低于1500元) +1000元京东自营商城购物金。
创意奖(1名):开发板礼包(品牌开发板2块【STM32、灵动微等】,市场价不低于500元);+500元京东自营商城购物金。
人气奖(1名):开发板礼包(品牌开发板2块【STM32、灵动微等】,市场价不低于500元)+500元京东自营商城购物金。
达人奖(5名):奖励200元京东自营购物金。
优秀作品奖:内容最生动、故事性最强的作品在面包板社区微信公众号阅读量过万的内容,每篇奖励1000E币,不限篇数。
注:更多详情请访问https://mbb.eet-china.com/forum/topic/153762_1_1.html
点击阅读原文,了解活动详情!