44种实用电路图,掌握了,也就一通百通了!

EDA365电子论坛 2025-10-28 11:30
通过以下各种各样的实用电路,大家可以了解元器件的结构、特性、动作原理及电路的基本控制方式,掌握一些控制规律,这样的话,在日后的电路识图中就能融会贯通,一通百通。

文章中的电路图有难有易,有些图现在可能看不懂,说不定以后就能看懂了,建议大家收藏备用哦!

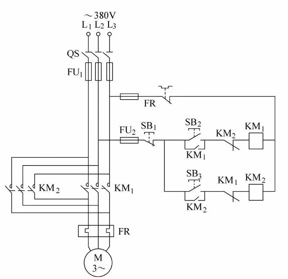
1.三相异步电动机正反转控制电路
44种实用电路图,掌握了,也就一通百通了!图1
2.双重互锁控制电路
44种实用电路图,掌握了,也就一通百通了!图2
3.三相电动机行程控制电路
44种实用电路图,掌握了,也就一通百通了!图3
4.三相异步电动机的时间控制电路(延时控制电路)
44种实用电路图,掌握了,也就一通百通了!图4
5.三相异步电动机的制动控制电路(电磁抱闸制动电路、反接制动控制电路、能耗制动控制电路)
44种实用电路图,掌握了,也就一通百通了!图5
44种实用电路图,掌握了,也就一通百通了!图6
44种实用电路图,掌握了,也就一通百通了!图7
6.并联型直流稳压电源电路
44种实用电路图,掌握了,也就一通百通了!图8
7.串联型直流稳压电源电路
44种实用电路图,掌握了,也就一通百通了!图9
8.三端可调式直流稳压电源电路
44种实用电路图,掌握了,也就一通百通了!图10
9.正、负直流稳压电源电路
44种实用电路图,掌握了,也就一通百通了!图11
10.短路全保护声光报警直流稳压电源电路
44种实用电路图,掌握了,也就一通百通了!图12
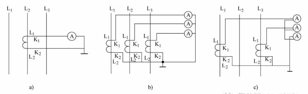
11.电流测量电路(测量交流大电流)
44种实用电路图,掌握了,也就一通百通了!图13
12.电压测量电路(测量交流高电压)
44种实用电路图,掌握了,也就一通百通了!图14
13.单相有功电能表测量电路
44种实用电路图,掌握了,也就一通百通了!图15
44种实用电路图,掌握了,也就一通百通了!图16
14.三相有功电能表直入式接线图
44种实用电路图,掌握了,也就一通百通了!图17
15.信号发生器电路原理图
44种实用电路图,掌握了,也就一通百通了!图18
16.C620型车床电气控制电路
44种实用电路图,掌握了,也就一通百通了!图19
17.M7120型平面磨床控制电路
44种实用电路图,掌握了,也就一通百通了!图20
18.Z35型摇臂钻床控制电路
44种实用电路图,掌握了,也就一通百通了!图21
19.X62W型万能铣床控制电路
44种实用电路图,掌握了,也就一通百通了!图22
20.T68型卧式镗床控制电路
44种实用电路图,掌握了,也就一通百通了!图23
21.电力传输过程示意图
44种实用电路图,掌握了,也就一通百通了!图24
22.企业变配电一次电路图
44种实用电路图,掌握了,也就一通百通了!图25
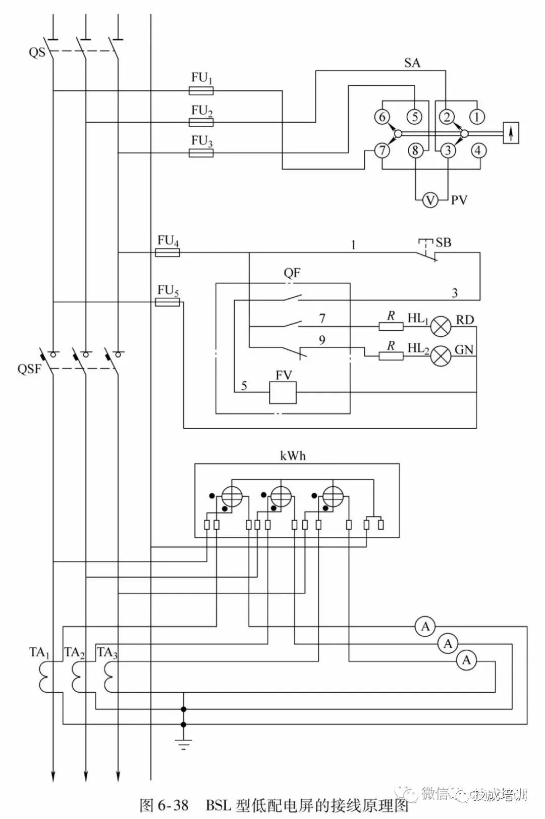
23.低压二次接线原理图(BSL型低压配电屏接线原理图)
44种实用电路图,掌握了,也就一通百通了!图26
24.单相电源三相交流电动机无级调速电路
44种实用电路图,掌握了,也就一通百通了!图27
25.超声波遥控电动机调速电路
44种实用电路图,掌握了,也就一通百通了!图28
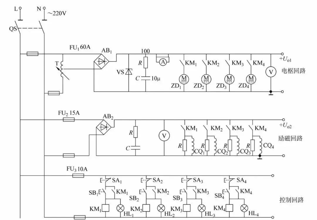
26.直流电动机电枢电压调速电路
44种实用电路图,掌握了,也就一通百通了!图29
27.定时调光微光控制照明节电电路
44种实用电路图,掌握了,也就一通百通了!图30
28.喷漆机械手的定位控制电路(步进顺序控制器)
44种实用电路图,掌握了,也就一通百通了!图31
44种实用电路图,掌握了,也就一通百通了!图32
29.家用多路红外遥控电路
44种实用电路图,掌握了,也就一通百通了!图33
44种实用电路图,掌握了,也就一通百通了!图34
30.超声波遥控电路
44种实用电路图,掌握了,也就一通百通了!图35
44种实用电路图,掌握了,也就一通百通了!图36
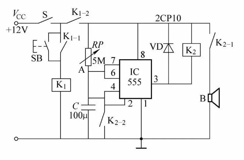
31.无线电遥控报警电路
44种实用电路图,掌握了,也就一通百通了!图37
44种实用电路图,掌握了,也就一通百通了!图38
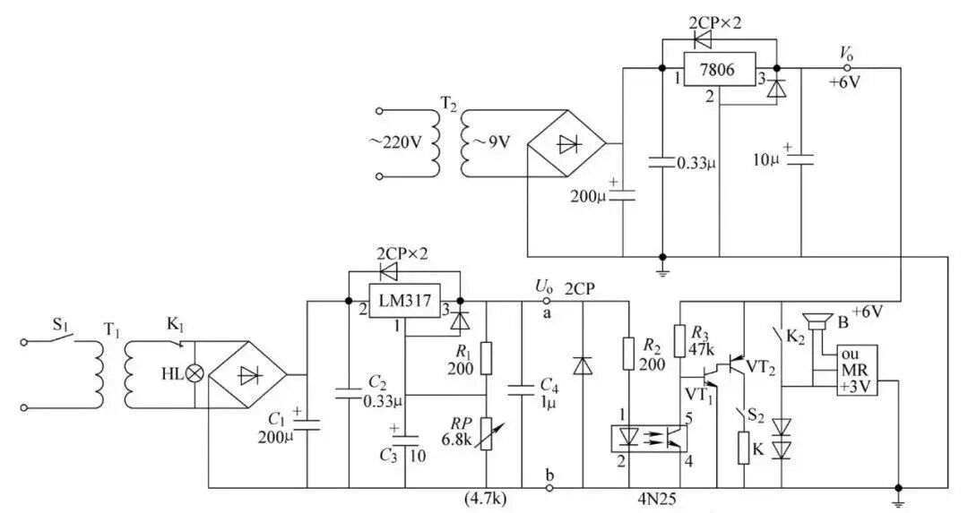
32.超声波检测电路
44种实用电路图,掌握了,也就一通百通了!图39
33.人体红外探测器电路
44种实用电路图,掌握了,也就一通百通了!图40
34.六管超外差式晶体管收音机电路原理图
44种实用电路图,掌握了,也就一通百通了!图41
44种实用电路图,掌握了,也就一通百通了!图42
44种实用电路图,掌握了,也就一通百通了!图43
35.光控电灯节电电路
44种实用电路图,掌握了,也就一通百通了!图44
36.声控节电开关电路
44种实用电路图,掌握了,也就一通百通了!图45
37.集光、磁、触摸为一体的节电控制电路(照明开关控制电路)
44种实用电路图,掌握了,也就一通百通了!图46
38.气体烟雾检测报警器电路图
44种实用电路图,掌握了,也就一通百通了!图47
39.湿度测量报警器电路图
44种实用电路图,掌握了,也就一通百通了!图48
40.汽车防盗报警器电路图
44种实用电路图,掌握了,也就一通百通了!图49
41.机器人自动控制系统
44种实用电路图,掌握了,也就一通百通了!图50
42.机器人无线遥控电路(以遥控距离为1000m的三通道IC型无线遥控器为例)
44种实用电路图,掌握了,也就一通百通了!图51
44种实用电路图,掌握了,也就一通百通了!图52
43.传输自动线堵料监视电路
44种实用电路图,掌握了,也就一通百通了!图53
44.自动生产线断料监视电路(光电断料监视电路)
44种实用电路图,掌握了,也就一通百通了!图54

声明:文章来源于网络,版权归原作者所有。如有侵权,请联系删除。


44种实用电路图,掌握了,也就一通百通了!图55
快快添加Ecosmos活动君
免费解锁200+pcb原理图
15G硬件资料、半导体产业图谱
1000+国产替代名录等资料
还可以加入行业交流群,前沿信息共享
44种实用电路图,掌握了,也就一通百通了!图56

声明:内容取材于网络,仅代表作者观点,如有内容违规问题,请联系处理。 
more
AMD EPYC Venice处理器架构细节曝光:256核配1GB缓存,双IO Die强化AI服务器能力
MWC 2026|AMD:全栈AI方案进军商用AI PC
AIDA64 v8.30发布:前瞻支持Intel Nova Lake与AMD Zen 6,新增实时帧率监控
H200之后,美国AI芯片管制再出“幺蛾子”,英伟达和AMD慌吗?
AMD向中国卖AI芯片,3个月挣了27亿元
AMD推Adrenalin 26.1.1驱动,集成AI Bundle简化本地AI开发环境
AI真成摇钱树了!AMD单季狂揽100亿美元,靠「性价比」杀出重围?
AMD高管质疑Intel Panther Lake竞争力,称其定价高昂且定位失焦
李飞飞World Labs获10亿美元融资,英伟达AMD罕见联手押注“空间智能”
Meta拟采购高达百亿美元AMD芯片,加速构建“个人超级智能”基础设施
Copyright © 2025 成都区角科技有限公司
蜀ICP备2025143415号-1
  
川公网安备51015602001305号