拆解一款电瓶车控制器:相电流采样居然用了这种办法?设计有点意思!

电子开发学习 2025-12-12 11:00
拆解一款电瓶车控制器:相电流采样居然用了这种办法?设计有点意思!图1
了解我的粉丝都知道,我已经拆解了很多电瓶车控制器,今天再来拆解上图这款电瓶车控制器。
拆解一款电瓶车控制器:相电流采样居然用了这种办法?设计有点意思!图2
这个控制器采用了铸铝结构的散热外壳。
拆解一款电瓶车控制器:相电流采样居然用了这种办法?设计有点意思!图3
顶壳黑色ABS材质,和铸铝底壳通过螺丝固定,固定之后在周围的槽里灌胶进行密封防水。同样的,信号引出端子排处也做了灌胶密封处理。
拆解一款电瓶车控制器:相电流采样居然用了这种办法?设计有点意思!图4
电源输入螺柱和电机相线螺柱分布在控制器靠左的位置,尤其电源输入螺柱的位置非常靠左。通过这个基本上可以猜出这个控制器里的电路板上器件布局,大概率是一端功率电路,一端控制电路。
拆解一款电瓶车控制器:相电流采样居然用了这种办法?设计有点意思!图5
开盖之后发现有ABS上盖上还有一个板子,这个是信号转接板。
拆解一款电瓶车控制器:相电流采样居然用了这种办法?设计有点意思!图6
看了一下控制板,第一眼就验证了我的猜想是正确的。接线螺柱所处的位置旁边是电解电容、汇流铜排、两排MOS管。而接线端子所在的位置,是MCU、预驱动器、电流采样,电源稳压电路等等。
拆解一款电瓶车控制器:相电流采样居然用了这种办法?设计有点意思!图7
MCU采用了极海的APM32F103CBT6,这颗物料几乎二进制兼容STM32F103CBT6。右上角那四个孔,就是用来给MCU烧录程序的SWD接口。在SWCLKSWDIO上各串了一个100欧的电阻。
拆解一款电瓶车控制器:相电流采样居然用了这种办法?设计有点意思!图8
旁边用了两个SOP-8封装的运算放大器来采集相电流,但是这器件丝印我找了半天也没找到是什么型号,看来国产模拟器件发展确实迅猛,几年光景,我已经找不到北了。
拆解一款电瓶车控制器:相电流采样居然用了这种办法?设计有点意思!图9
对于运放的型号知不知道不重要,但是一点很重要,那就是搞清楚相电流是如何采样的。这里我们并没看到每个桥臂的下臂对地有一个采样电阻,但是看到了每个下臂的三个MOS中最左边的一个MOSD极和S极上都引出了信号线,最终走线到了运放外围的电阻上,也就是说,相电流采样不是通过外置的采样电阻,而是直接把下桥臂的其中一个MOSRdson当作采样电阻来进行采样的。
拆解一款电瓶车控制器:相电流采样居然用了这种办法?设计有点意思!图10
半桥驱动器采用的是宇力半导体的U3215C
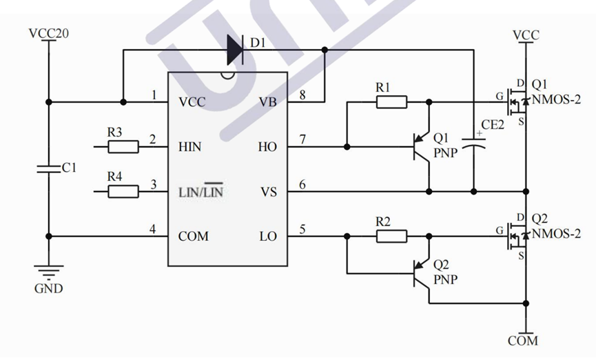
拆解一款电瓶车控制器:相电流采样居然用了这种办法?设计有点意思!图11

U3215C在小功率驱动应用场景下,通过上面这样的外围电路即可满足要求,这个驱动电路考虑到了MOS栅极的快速充电与放电回路。对照PCB实物,可以看到今天拆解的这个控制器也采用了这种方案。
拆解一款电瓶车控制器:相电流采样居然用了这种办法?设计有点意思!图12

而在大功率应用的场景下,可以使用两个PNP三极管来增加驱动电路,实现MOS栅极的驱动。
拆解一款电瓶车控制器:相电流采样居然用了这种办法?设计有点意思!图13
电源稳压这一块,采用了士兰微的SD4938,把电池输入降压到15V供栅极驱动器使用。
拆解一款电瓶车控制器:相电流采样居然用了这种办法?设计有点意思!图14

为啥我知道是降到15V了呢,因为这个器件,7脚是电压设置引脚,如果悬空,输出12V。如果加一个下拉电阻,输出18V,如果直接接地,输出为15V。而看PCB实物,SD4938的第七脚很显然是直接和地连在一起的。
拆解一款电瓶车控制器:相电流采样居然用了这种办法?设计有点意思!图15
15V的电还要通过LDO进一步降压到3.3V供控制系统使用。
拆解一款电瓶车控制器:相电流采样居然用了这种办法?设计有点意思!图16
板子上并联了两个1毫欧1%的采样电阻,这两个电阻是用来测量母线电流的。
拆解一款电瓶车控制器:相电流采样居然用了这种办法?设计有点意思!图17
这个板子上用了三个非常宽的导流铜条,另一个在电容后。
拆解一款电瓶车控制器:相电流采样居然用了这种办法?设计有点意思!图18
这个图能更直观地看到这个导流条有多宽。
拆解一款电瓶车控制器:相电流采样居然用了这种办法?设计有点意思!图19
板子上总共放了6330uF100V的电解电容。
拆解一款电瓶车控制器:相电流采样居然用了这种办法?设计有点意思!图20
MOS管采用了18TO-220封装的S10H045R
拆解一款电瓶车控制器:相电流采样居然用了这种办法?设计有点意思!图21
为啥是18个,因为采用了三并管的形式。要不为啥说这个布局布线形式比较合理呢,因为这样布局,一个个桥臂看起来都很直观,更别提布线了。
拆解一款电瓶车控制器:相电流采样居然用了这种办法?设计有点意思!图22
再看看背面,每个桥臂的6MOS的对应应交直接通过一个标贴的导流板和相线接线柱连接在一起。
拆解一款电瓶车控制器:相电流采样居然用了这种办法?设计有点意思!图23
这个电路板是个四层板,内层的铜皮可以很明显看出来。
拆解一款电瓶车控制器:相电流采样居然用了这种办法?设计有点意思!图24
以上就是这个控制器的拆解。个人拙见:最优秀的设计自然是把功率和控制分成两个电路板,功率板用铜基板或者铝基板,控制板用FR-4,分层叠放,这样功率板可以直接大面积紧贴外壳进行散热,而且控制板的过流要求大幅度降低。这样的设计最好的原因是,在控制器里,影响输出功率的最大因素就是散热。但是这种设计的成本自然会高一些。
最差的设计是控制电路和功率电路混合在一起,这样板子一般会比较大,所以做成两层板也可以布得下。但是不好的就是乱、而且性能往往难以做到最好。但是由于这种方案成本低,所以用的是最多的。
而我们今天拆解的这个板子,显然是介于这两个方案之间的。它采用了这种比较合理的布局方式,使用一个四层板+悬浮的导流条解决了大电流的问题,又使得控制部分布局整齐合理。算是以上两种方案在性能和成本上的一个折中选择。


声明:内容取材于网络,仅代表作者观点,如有内容违规问题,请联系处理。 
拆解
more
我30元从闲鱼买个RTX 5090显卡的裸板,发现MPS是最大赢家!
越南制造的三星45W充电头,拆解发现内部用料几乎清一色国产!
拆解报告:努比亚糖果移动电源20000mAh
拆解报告:徕芬透明探索版扫振电动牙刷 i2
垃圾站8元捡漏的神秘盒子?拆解发现是个接口非常丰富的AM3352工业物联网控制器!
拆解报告:联想thinkplus 190W 20000mAh自带线移动电源
【拆解】苹果笔记本MagSafe连接器:原来充电头里藏着这么多门道!
充电早报:安克Prime 150W 2C1A充电底座拆解;thinkplus 锋行者氮化镓桌面充150W评测;小米推出140W 桌面充电站!
跨越三年:拆解LED显示屏产业三次涨价
顺丰带扫码枪功能的电子工牌拆解,这是真正的意义上的工牌!
Copyright © 2025 成都区角科技有限公司
蜀ICP备2025143415号-1
  
川公网安备51015602001305号