前言
本期充电头网继续为大家带来富华电子另一W多口氮化镓快充充电器的拆解,这款新品延续了65W款诸多设计优点,如2C1A快充接口支持最多三设备同时充电,大大提升充电效率,可装欧规、英规、澳规插脚使用地区更广泛。
其不仅延续了前者外观设计语言,而且在保证机身大小不变的情况下,功率大幅提升,最高支持100W快充,适用于对便携性和性能均有要求的极客用户。下面我们就一起来看看这款产品的具体设计。
此前充电头网还拆解过,欢迎查阅。
富华电子100W氮化镓充电器开箱

包装盒正面印有UE ELectronic品牌、充电器外观图以及名称。

背面印有充电器使用场景图、卖点以及制造商的信息。

包装内含充电器以及使用说明书。

富华电子100W氮化镓充电器采用和65W款相同设计语言,就连三围也完全相同,不过这款绿色配色看上去则相当小清新。

机身正面印有UE品牌logo。

背面印有100W字样,直观表明产品最大输出功率。

输入端外壳同样采用可加装插脚结构设计。

充电器参数特写
型号:UES100LC1-SPC
输入:100-240V~50/60Hz 1.8A MAX
输出:
Type-C1/C2:5V3A、9V3A、12V3A、15V3A、20V5A 100W MAX
USB-A:5V3A、9V2.22A、10V2.25A、12V1.67A
总功率:100W MAX
制造商:东莞市石龙富华电子有限公司
产品通过了CCC认证。

充电器配备可折叠国标插脚。

机身顶部面板黑色撞色设计,配置2C1A三个主流快充接口,最多满足三设备同时充电。

实测充电器机身长度为74.26mm。

宽度为45.02mm。

厚度为33.44mm。

和苹果96W充电器放在一起对比,体积优势明显。

充电器拿在手上的大小直观感受。

另外测得充电器重量约为141g。

使用ChargerLAB POWER-Z KM003C测得USB-C1口支持UFCS、QC3+/4+、FCP、SCP、AFC、SFCP、TFCP、PD3.0、PPS、DCP、SAM 2A、Apple 2.4A充电协议。

并且具备5V3A、9V3A、12V3A、15V3A、20V5A五组固定电压档位,以及5-11V5A一组PPS电压档位。

测得UFCS融合快充具备3.4-5.5V3A、5.5-11V3A两组电压档位。

测得USB-C2口支持QC3+/4+、FCP、SCP、AFC、SFCP、PD3.0、PPS、DCP、Apple 2.4A充电协议。

此外PDO报文显示与USB-C1口的相同。

最后测得USB-A口支持QC3+、FCP、SCP、AFC、SFCP、DCP、Apple 2.4A充电协议。
富华电子100W氮化镓充电器拆解

将输入端外壳拆开,插脚做了加固绝缘设计。

此外塑料壳上还贴有铜箔和导热垫组成的散热贴,用于帮助输入端小板散热。

实测PCBA模块长度为64.1mm。

宽度为40.82mm。

厚度为26.33mm。

PCBA模块由多块小板堆叠设计以充分利用空间,器件间填充白胶提升整体稳定性,初次级间做了隔离绝缘处理。

背面对应整流桥区域也打胶处理,板面刷漆保护。

将白胶清理掉,模块正面器件布局规整紧凑,中心区域设有谐振电容、主控芯片供电电容以及开关电源主控小板。

主板背面设有整流桥、PFC升压控制器、光耦、贴片Y电容、同步整流控制器以及同步整流管。

PCBA模块输入端一览,前端以及右侧均焊接有小板。

右侧小板正面设有延时保险丝、共模电感、安规X2电容。

板子背面无器件。

前端小板正面焊接薄膜滤波电容、滤波电感以及PFC升压电感。

延时保险丝规格为3.15A 250V。

共模电感采用漆包线和绝缘线绕制,底部设有电木板并打漆加固。

另一颗共模电感扁平铜带绕制,两级设计更好滤除EMI干扰。

安规X2电容来自WQC威庆电子,容量0.33μF。

另一颗安规X2电容也是来自WQC威庆电子,容量0.1μF。

整流桥来自来自JSCJ长晶科技,型号RMSB40M,规格为4A 1000V,采用UMSB封装。

另一颗整流桥布局在主板正面,料号相同。

CBB21薄膜滤波电容来自塑镕,规格为450V0.82μF。

中间滤波电容特写。

另一颗CBB21B薄膜滤波电容也是来自塑镕,规格为450V0.33μF。

PFC控制器来自杰华特,型号JW1962KG,芯片内部集成有源PFC Boost恒压驱动以及700V高压氮化镓功率器件,主要应用于SMPS、AC/DC适配器及平板电视等单级、带有源PFC的升压系统,采用ESOP10封装。
JW1962XG系列凭借恒定导通时间控制技术可确保优异的功率因数,无需输入电压检测电路,简化了系统设计,降低了损耗。电感电流工作在临界连续模式,减小了功率器件的开关损耗,改善了EMI性能,确保系统具有高效率。

JW1962XG系列还具备多重保护功能,包括VCC欠压锁定、ISP过压保护、反馈开路保护、FB过压保护及过热保护,可全面增强系统安全性与可靠性。

PFC升压电感特写,包裹铜箔以及耐高温绝缘胶带处理。

PFC升压整流管采用两颗丝印E5JB超快恢复二极管并联。

模块一侧中心区域设有高压滤波电解电容。

高压滤波电解电容来自Acon新中元,规格为420V33μF。

另一颗也是来自新中元,规格为420V47μF。

模块另一侧中心区域设有开关电源主控小板和变压器,变压器底部设有电木板。

将小板拆下,正面设有开关电源主控芯片和氮化镓半桥芯片。

板子另一面一览,部分区域露铜加锡增强散热。

AHB控制器来自杰华特,型号JW1556,是一款非对称半桥反激式控制器,采用QFN4x4-20封装,适用于离线反激式转换器应用。芯片内部集成供电升压转换器,输入电压范围 2.5-38V,最高工作频率达1.5MHz,支持65-300W快充应用。
杰华特 JW1556 在重负载下工作在ZVS模式,支持Adaptive ZVS开关,实现效率最优化。在轻负载下工作在DCM模式,可提供主电源开关和辅助开关两路输出控制,支持高压启动、X电容放电、突发模式控制、可调线路补偿等功能。

杰华特 JW1556 资料信息。

氮化镓半桥芯片采用杰华特JW1568K,芯片集成了一个门极驱动器和两个增强模式的GaN晶体管,使其在设计上更加简化,可大大降低系统复杂度。集成的功率GaN器件具有220mΩ的导通电阻和650V耐压。
JW1568K具有较低的静态电流与适应广泛的Vcc电压范围,并可确保内部上下管驱动匹配的准确性,有助于提高系统的性能和稳定性。集成的高侧Bootstrap简化了设计,支持高频操作,最高可达2MHz,在高性能应用中表现出色。

杰华特 JW1568K 资料信息。

CBB21B谐振电容来自塑镕,规格为250V0.47μF。

主控芯片供电电容来自承兴,规格为50V100μF。

变压器特写。

两颗TD 1019光耦特写,用于输出电压反馈和过压保护。

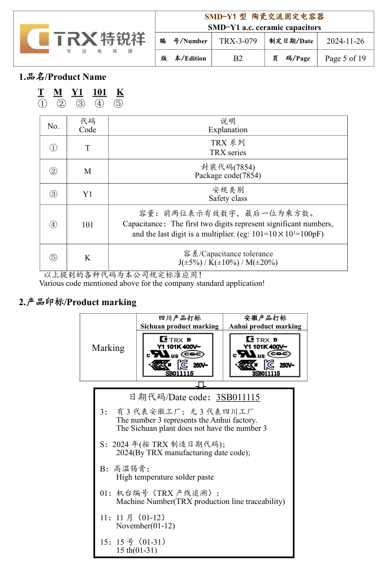
贴片Y电容来自四川特锐祥科技股份有限公司,具有体积小、重量轻等特色,非常适合应用于氮化镓快充这类高密度电源产品中。料号为TMY1102M。

充电头网了解到,特锐祥贴片Y电容除了被、、、、等数十款大功率充电器使用外,也可应用于、、等品牌20W迷你快充上,。

另一颗特锐祥贴片Y电容料号为TMY1471M。

输出端焊接两颗滤波固态电容以及小板。

将小板拆下,正面设有USB-C1口的降压协议芯片以及两路二次降压电路对应的降压电感、滤波固态电容、滤波电感。

背面设有降压协议芯片、同步降压开关管和VBUS开关管。

同步整流控制器来自杰华特,丝印JWRU,实际型号为JW7726H,支持ACF,AHB,DCM,QR和CCM反激工作模式,支持高侧和低侧应用,芯片支持直接由输出电压供电,具有极低的静态电流,具备快速驱动能力,用于CCM运行模式。

杰华特 JW7726H 资料信息。

同步整流管来自维安,型号WMB072N12LG2,NMOS,耐压120V,导阻7mΩ,PDFN5060-8L封装。

输出滤波固态电容来自东佳,规格为25V820μF。

另一颗规格为25V470μF。

USB-C1口的降压协议芯片均采用智融科技SW3561H,这是一颗支持双USB-C口输出的降压SoC芯片,芯片内部集成高效率同步降压控制器,支持20V5A功率输出,并支持USB PD3.1 SPR。芯片内部集成ARM Cortex-M0内核,集成Type-C逻辑,支持PD3.1/QC/SCP/UFCS融合快充等快充协议,支持快充协议定制。
智融SW3561H支持双USB-C口通路控制,支持线损补偿,搭配两颗同步降压开关管和对应接口的VBUS开关管即可实现双口降压输出。芯片内置的降压转换器默认工作频率为180KHz,支持定制工作频率,支持100W功率输出,满足小体积设计。芯片集成过热保护,输入输出过压/欠压保护,输出过流保护以及数据引脚过压保护等完善的保护机制,采用QFN-32封装。

智融科技SW3561H资料信息。

外挂两颗同步降压开关管来自维安,型号WMB090N04LG2,NMOS管,耐压40V,导阻9mΩ,采用PDFN5060-8L封装。

搭配的4.7μH电感特写。

降压输出滤波固态电容规格为25V220μF。

USB-C1口的VBUS开关管来自JSCJ长晶科技,型号CJAB35N03S,NMOS,耐压30V,导阻5.2mΩ,采用PDFNWB3.3*3.3-8L封装。

另外1A1C接口的降压协议芯片采用智融科技SW3536,这是一款高集成度的多快充协议双口充电芯片,支持USB-A+USB-C双口快充输出,支持双口独立限流。内部集成了7A高效率同步降压变换器,支持PPS/PD/QC/AFC/FCP/SCP/PE/SFCP/TFCP等多种快充协议,最大支持140W输出功率。

SW3536集成CC/CV模式,双口管理逻辑以及双芯片动态功率分配,外围元件精简,是一颗完整的高性能多快充协议双口充电解决方案。SW3536支持36V输入电压,满足12-24V输入车充应用,适用于快充适配器,插排以及车充应用。
充电头网拆解了解到,智融科技SW3536此前还被、、、等产品采用。

外挂两颗同步降压开关管同样是采用维安WMB090N04LG2。

搭配的8.2μH电感特写。

降压输出滤波固态电容规格为25V220μF。

滤波电感特写。

另一颗降压输出滤波固态电容规格相同。

滤波电感特写。

USB-C2口的VBUS开关管也是采用长晶科技CJAB35N03S。

USB-A口的VBUS开关管也是采用长晶科技CJAB35N03S。

两个USB-C接口母座特写。

USB-A接口母座特写。

全部拆解一览,来张全家福。
充电头网拆解总结

最后附上富华电子100W氮化镓充电器的核心器件清单,方便大家查阅。
富华电子100W氮化镓充电器延续了65W款的外观设计语言和配置,全新绿色配色观感更加小清新,性能大幅提升可为笔记本等大设备高效快充。产品同样拥有能加装欧规、英规、澳规插脚的优点,接口兼容UFCS、QC、PD、PPS、SCP等主流快充协议与65W相同,适合对性能有要求的用户选择。
充电头网拆解了解到,产品采用了杰华特JW1962KG+JW1556+JW7726H全套电源方案进行设计,氮化镓半桥芯片同样采用杰华特JW1568K,不仅为电源系统带来优异的效率表现,而且产品一致性、可靠性等也更优。
输出端则采用了和65W款相同的两路DC-DC降压电路设计,方案也完全一样,使用了智融科技SW3561H、SW3536两颗SOC快充芯片实现输出控制。PCBA模块采用了多块小板组合焊接,实现了高密度堆叠,此外器件均打胶进行加固处理。
东莞市石龙富华电子有限公司(UE Electronic),总部位于中国广东松山湖高新科技产业区,创始人黄子田先生。自1989年创立以来,已稳健前行36载,始终致力于研发、制造、销售全球领先的医疗电源、网络通讯电源及健康智能插座,功率覆盖5W至1000W。每年为全球客户提供超过一亿台各类电源产品。
UE Electronic为国家级高新技术企业,广东省省级企业技术中心,东莞市民营企业50强。并被列为东莞市后备上市企业。公司建筑面积逾12万平方米,是一座集现代化、智能化、园林化于一体的新质生产力工业园区,为超过一千个家庭提供工作机会。